



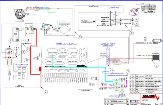
Product Description:
Included:
- RV-14 canopy harness
- ACM Aircraft Front connector harness
- ACM ground cable
- 12V power outlet (cigarette lighter type)
- Cable (starter relay to key switch)
- Cable (master relay to master switch)
- Cable, qty 2 (key switch to magneto)
- Cable (alternator CB to shunt)
- Cable (shunt to ACM power input)
- 60A alternator circuit breaker
- Alt CB mounting plate (replaces Vans fuse panel plate)
Compatibility
- Compatible with AF-5000/6000
- Compatible with SkyView HDX