


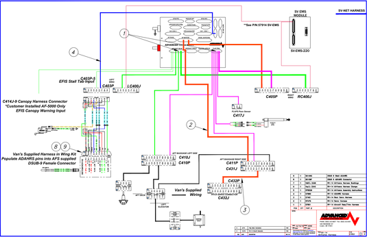
Product Description:
This plug-n-play harness for the Vans RV-14 specifically connects the ACM to the Vans factory wiring harnesses included with the RV-14 wing and empennage kits. The harness is fully populated for the four connection to the ACM (Aircraft Rear, Flap trim, AP Servos, and SV-Network). The airframe side of the harness is also fully populated into the 9-pin and 12-pin Molex connectors where it meets the Vans factory supplied wiring harnesses. There are additional leads for canopy switch, and flap motor connections with pre-populated connectors.
Compatibility
- This harness is compatible and required for a Vans RV-14 with a SkyView HDX or AF-5000/6000 system using an ACM.
- Minor modifications to this harness are required for use with SkyView HDX
- No crimpers or tools are required to install this harness.